首页
|
公司简介
|
企业荣誉
|
产品资料
|
客户留言
|
联系我们
|
ENGLISH
二极管
>
Silicon Rectifi...
>
Transient Volta...
>
Zener Diode
>
Super Fast Rect...
>
DIACS
>
High EffIciency...
>
High Speed Swit...
>
Fast Recovery R...
>
Bridge Rectifie...
>
Schottky Barrie...
放电管
>
气体放电管
>
陶瓷放电二极管
>
陶瓷放电三极管
>
半导体放电管
HK系列高压触发二极管
关键字:
类别:
二极管
放电管 集成电路
产品名称:
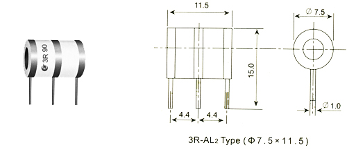
陶瓷放电三极管
产品型号:
3R-AL2 Type(Φ7.5x11.5)
产品说明
[
关闭本页
]
常州广达电子有限公司 地址:江苏省常州市钟楼区邹区镇会灵西路69号
电话:0519-83631254 邮编:213144 网址:
www.jiangnan-cn.cn
网站管理